회사소개
기술정보
사업소개
커뮤니티
PR DOWN LOAD
회사개요
CEO 인사말
회사연혁
경영이념
실적현황
조직도
오시는길
인증현황
보유장비
유틸리티 다이어그램
고객사
하이테크 배관
기계설비 배관
CCSS SYSTEM
CGSS SYSTEM
공지사항
동호회
안전제일주의 실천으로 신뢰를 주는
원포인트 이엔지
회사소개
회사개요
CEO인사말
회사연혁
경영이념
실적현황
조직도
오시는길
기술정보
인증현황
보유장비
클린룸
고객사
사업소개
하이테크 배관
기계설비 배관
CCSS SYSTEM
CGSS SYSTEM
커뮤니티
공지사항
동호회
ONEPOINTENG
원포인트이엔지는 안전제일주의 실천으로 신뢰를 주는 회사입니다.
기술정보
회사소개
기술정보
사업소개
커뮤니티
인증현황
보유장비
유틸리티 다이어그램
고객사
Clean room
P-GAS FLOW
Chemical Flow
CDA FLOW
N2 FLOW
O2
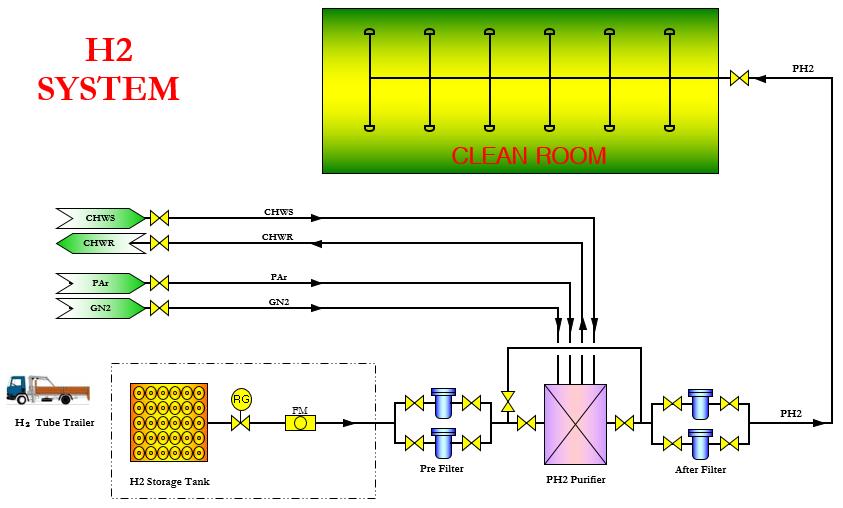
H2
Ar
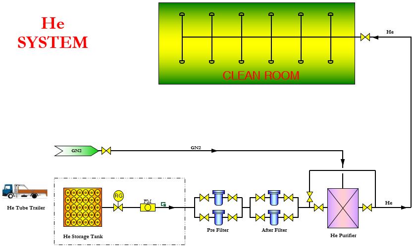
He
PV
HV FLOW-1
PCW FLOW(대용량-2)
Dl Flow
CW FLOW
Drain Flow-1
Exhaust Flow
WWT-1